Mission Critical Walkthrough

20 January 1996
Revised 7 August 1997

Copyright © 1996 Balmoral Software (http://www.balmoralsoftware.com). All rights reserved. Republication, redistribution or conversion is expressly prohibited without the prior written consent of Balmoral Software. Contents subject to change! For the latest information, see http://www.balmoralsoftware.com.


Table of Contents

F8: Toggle transitions


Maps

Bridge Map

Deck 2 Map

Deck 3 Map

Deck 4 Map

Deck 5 Map

Deck 6 Map

Weapons Bays Map

Engineering Map


Hull Puncture

Starting on Deck 2...                                                        [1]
Read the captain's note: VIS override code is A3X5
Enter captain's stateroom using VIS override code A3X5
Take the crew manifest
Read the crew manifest for stateroom VIS override codes
Go to the computer terminal in the corridor
Open the Emergency Stores Cabinet
Take the Hull Patch Kit
Open the kit box
Enter Renato Olivar's stateroom using VIS override code B29X
Spray the Gel-Foam spray on the hull puncture
Put the molecular glue on the patch
Plug the hull puncture with the patch                                        [2]

Radiation Leak

Go to the wardroom
Use the viewscreen controls, get plastic card                                [3]
If desired, enter captain's stateroom and use the computer terminal (captain's
   log)
Go to the elevator
Push the elevator call button
Enter elevator
Put the plastic card in the slot
Use the elevator controls
Go to Deck 5                                                                 [4]
Enter Science Lab
Open the storage cabinet marked "FRT"
Take the Geiger counter
Take the scanner
Take the elevator to Reactor Spaces
Go down the ladder to the access tunnels
Turn on Geiger counter
Move the mouse cursor to the Map button at upper right to determine which
   Reactor Spaces level you're on
Using the following map, take the safe route:

A1 -----> B1 -----> B2 -----> A2 -----> A3 -----> A4 -----> B4
   LEFT      DOWN      RIGHT     DOWN      DOWN      LEFT

-----> B5 -----> A5 -----> Engineering
DOWN      RIGHT     DOWN

Reactor Spaces Map

0,1,2: Level of radiation detected                                           [5]

Enter reactor operations room
Go to the ladder and open the equipment storage cabinet
Take the cutting torch
Go up the ladder
Go to the end of access tunnel 3
Open the manual valve
Return down the ladder and enter the alloy framework
Use the engineering console
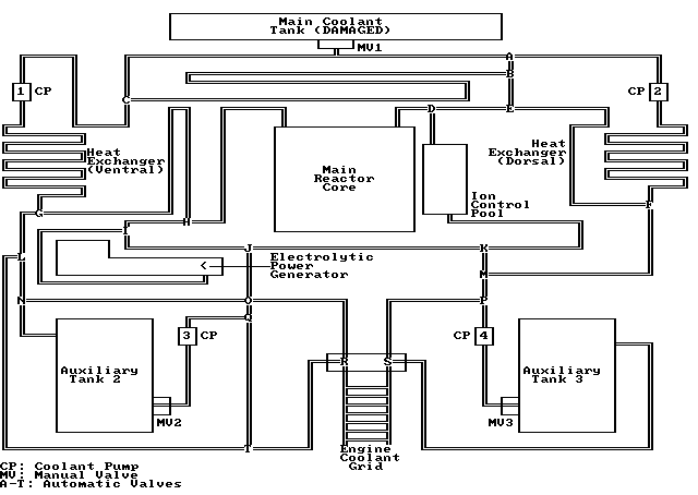
Refer to the map of the Engineering RCS:

Reactor Map

Manual Valve 3 starts out open.
For the moment, leave Coolant Pump 4 off.
Leave Valve P in its default state connecting pipes above and below.
Change Valve M to connect pipes right and below.
Change Valve F to connect pipes left and below.
Change Valve E to connect pipes right and above.
Change Valve B to connect pipes left and below.
Change Valve C to connect pipes right and below.
For the moment, leave Coolant Pump 1 off.
Activate Coolant Pump 4 and verify coolant flow up to Coolant Pump 1.
Leave Valve G in its default state connecting pipes right and above.
Leave Valve H in its default state connecting pipes right and above.
Change Valve D to connect pipes left and below.
Change Valve K to connect pipes left and right.
Leave Valve J in its default state connecting pipes right and below.
Change Valve O to connect pipes right and above.
Change Valve R to connect pipes above and below.
Leave Valve S in its default state connecting pipes right and below.
Activate Coolant Pump 1 and verify coolant flow through the Main Reactor Core,
   Ion Control Pool and Engine Coolant Grid to Auxiliary Tank 3.             [6]

Antimatter Bomb

Take elevator to Deck 3
Enter Kimberly Falcon's stateroom using VIS override code L6EC
Open the desk drawer
Look in the desk drawer
Read Falcon's note, get James Poole's VIS override code IH31
Enter Hideki Miura's stateroom using VIS override code F111
Take the necklace, notice its pi symbol                                      [7]
Take the source code
Use the computer terminal
Program the computer terminal with the source code, note pi result
Enter Mary Quan's stateroom using VIS override code JU88
Take the journal
Read the journal                                                             [8]
Take the elevator to Deck 6
Go to the cargo bay
Take the multitool
Take the elevator to Deck 2
Enter James Poole's stateroom using VIS override code IH31
Take the ship model                                                          [9]
Disassemble the ship model with the multitool
Listen to the transmitter
Open the envelope
Read the letter
Go to the wardroom
Put the key in the keyhole of the display case                              [10]
Take the ship model
Disassemble the ship model with the multitool
Read the metal cylinder
Open the antimatter bomb
Press the large button on the left to disarm the bomb

Computer Malfunction

Take the elevator to Deck 5
Go to the Medlab
At the Medical Officer's console, read the taped note, get 911 panic code
Go to the wreckage in the corridor                                          [11]
Ignite the cutting torch
Clear the wreckage with the cutting torch
Put out the cutting torch
Open door to computer room
Enter pi code: 3141
Open the panel in the Cyber Systems control console
Read the Post-It
Press the rightmost of five switches                                        [12]

Communications Malfunction

Take the elevator to Deck 2
Enter the communications center
Use the TCS controls
3. Diagnostics: EC2001 & EC2010 modules are defective
   (does Arthur C. Clarke know this?)
4. Exit
Enter the electronic spares storage area across the hall
Open the box of EC2001 spares
Read the note from the Spares box
Open the box of EC2010 spares
Take the elevator to Deck 3
Go to the Mess Hall
If desired, use the VR system                                               [13]
Pull the power and data cables
Remove the VR system CPU
Open the VR system CPU
Take the elevator to Deck 6
Go to the Shuttle Bay control room                                          [14]
Open the suit locker
Take the vacuum suit
Take the vacuum suit helmet
Disassemble the cutting torch with the multitool
Attach the oxygen tank to the vacuum suit
Put on the vacuum suit
Put on the vacuum suit helmet
Move forward and use the controls
Open the Control Room door
Open the Shuttle Bay door
Turn right and exit the control room                                        [15]
Go as far forward as possible out of the Shuttle Bay
Turn left and go forward once
Turn left and go forward once
Turn left and go forward once
Turn right and go forward three times
Turn left and go forward once
Turn left and open the access panel
Remove the defective EC2001 module
Plug the E2001 module in the system bus
Remove the defective EC2010 module
Plug the E2010 module in the system bus
Close the access panel
Go forward three times
Turn left and go forward once
Turn right and go forward once
Turn right and go forward once
Turn right and go forward five times
Enter the Shuttle Bay control room
Use the controls
Close the Control Room door
Pressurize the Control Room                                                 [16]
Take the elevator to Deck 2
Go to the communications center                                             [17]
Use the TCS controls
1. Establish Relay Link
TCS system method:
	A. Click on desired target in left-hand table, get green link
	B. Press Establish Link button, get blue line
Sequence:
	LEXINGTON
	TRB010
	TRB291
	TRB695
	TRB333
	TRB905
	TRB869
	TRB061
	TRB442
	TRB801
	EREBUS
Press Main Menu button
2. Transmit Over Link
Long dialog with Admiral Decker:
	Must stay and fight even if it means disobeying orders
	Do not take the Lexington out of danger
	Get release codes from the admiral                                  [18]

Planetary Lander

Use the TCS controls
1. Establish Relay Link
Sequence:
	LEXINGTON
	TRB010
	JERICHO
Press Main Menu button
2. Transmit Over Link
Command Patch: JACOBSLADDER
Flightplan Bravo: Intership Transfer (using homing beacon)
4. Exit                                                                     [19]
Take the elevator to Deck 6
Go to the Shuttle Bay Control Room
Use the controls
Activate NDB Homing
Close Shuttle Bay door
Pressurize Shuttle Bay
Open Control Room door
Enter planetary lander                                                      [20]
Open the left storage cabinet
Take the probe launcher
Take the seismic probe
Open the right storage cabinet
Take the wire spool
Take the gas cartridge
Open the door and enter the lander midships compartment
Open the storage cabinet
Take the oxygen tank
Take the oxygen tank
Close the storage cabinet                                                   [21]
Exit the lander
Go to the Shuttle Bay Control Room
Attach the oxygen tank to the vacuum suit
Put on the vacuum suit helmet
Use the controls
Open Shuttle Bay door
Re-enter planetary lander and proceed to the flight deck
Use the flight controls, preflight checklist is initiated

Space Battles

Return to the Shuttle Bay Control Room
Use the controls
Close the Control Room door
Pressurize the Control Room
Remove the vacuum suit                                                      [22]
Take the elevator to Deck 2
Enter Michael Dahl's stateroom using VIS override code DC22                 [23]
Turn on the (retinal scanner) device
Look in the device
Select Code Name Miracle Dark (same initials as Michael Dahl), then click Exit
   at bottom
Put the device on the (safe) eyepiece
Open the safe
Take the cable
Take the headset
Take the folder
Take the ampule
Take the hypo
Close the safe                                                              [24]
Take the elevator to Weapons Bays
Turn right and enter Weapons Bay One control room
Use the weapons control system
Select
Program 180
Load
Activate
Exit                                                                        [25]
Take the elevator to Bridge
Enter the bridge and move right forward
Attach the cable to the headset
Put on the headset
Put the ampule in the hypo
Use the hypo                                                                [26]
Attach the headset to the Tactical console
Use the Tactical console
Continue
Perform Scenario One
For automatic play, drag red Difficulty bar all the way to the left
Ok
Continue
Repeat for all 8 Scenarios
Repeat a Scenario in the event of failure
Exit when all scenario labels are green                                     [27]
Press the W key (wait 5 minutes) repeatedly (about 15 times) until computer
   warns of imminent battle
Use the Tactical console
Repeat procedure above, payoff is animated sequence                         [28]
Press the W key repeatedly (about 10 times) until computer warns of imminent
   battle
Use the Tactical console
Repeat procedure above, payoff is animated sequence                         [29]
Press the W key repeatedly (about 5 times) until computer notifies of completion
   of lander preflight checklist

Planetary Exploration

Take the elevator to Deck 6
Go to the Shuttle Bay Control Room
Remove the headset
Attach the oxygen tank to the vacuum suit
Put on the vacuum suit
Put on the vacuum suit helmet
Use the controls
Open Control Room door
Exit
Enter lander and proceed to Flight Deck                                     [30]
Use the flight controls, watch animation                                    [31]
Exit lander
Take the metal fragments
Take the metal fragments
Take the metal fragments
Take the metal fragments
Move forward once
At junction of three forward branches, take right-hand one
Continue forward onto ice formation
Attach the acetylene tank to the cutting torch
Attach the oxygen tank to the cutting torch
Ignite the cutting torch
Melt the ice formation with the cutting torch
Put out the cutting torch                                                   [32]
Open the antimatter bomb
Set for 00:15:00
Arm bomb by pressing button on the left
Exit
Put the antimatter bomb in the hole                                         [33]
Move out of the box canyon
Press W key until bomb detonates                                            [34]
Re-enter canyon
Move through tunnel to cavern
Put the gas cartridge in the probe launcher
Attach the wire spool to the seismic probe
Put the seismic probe in the probe launcher
Shoot the probe launcher at the bridge                                      [35]
Traverse the wire
Cavern map:

Cavern Map


Turn around and move forward all the way to the back of the (Basin) cavern
Go down into pyramidal depression
Take the yellow crystal rod
Take the blue crystal rod
Enter the pyramidal depression in the Yellow cavern
Put the yellow crystal rod in the square slot
Take the yellow prism
Enter the pyramidal depression in the Blue cavern
Put the blue crystal rod in the square slot
Take the blue prism
Return to the pyramidal depression in the Basin cavern                      [36]
Put the blue prism in the square slot
Put the yellow prism in the triangular slot
Ignite the cutting torch
Melt the blue prism with the cutting torch
Melt the yellow prism with the cutting torch
Put out the cutting torch
Go to the pyramidal depression in the Ochre cavern
Take the octagonal ochre block                                              [37]
Return to the pyramidal depression in the Basin cavern
Put the octagonal ochre block in the basin
Put the metal fragments in the basin, watch animations                      [38]

Los Angeles

Ignite the cutting torch
Cut the shredded metal with the cutting torch
Put out the cutting torch
Open the mangled door with the rebar
Go through doorway
Take the pile of disks
Pull the power switch
Pull the induction override switch
Put the wire spool on the induction override switch
Exit through doorway
Move forward out of wrecked building
Put the disk on the rail
Sit on the disk                                                             [39]
Turn right and move forward toward super tank
Open the hatch
Enter the tank
Turn right and push the switch
Turn left and use the crosshairs screen
Exit the tank
Move through the hole in the wall                                           [40]
Follow machines through maze to Brain Room
Go through either glowing ring, watch animation                             [41]

Elsewhere

Take the goblet
Drink from the goblet
Take the key
Open the door with the key
Move forward
Talk to the incredibly-wordy life form, ask questions
Exhaust dialog with the jiffy
Click on arrow to traverse forward from 00:01 to 00:10
Talk to the jiffy, ask where and when the door was seen
Move back to target time
Talk to the jiffy and warn them about the door
Move forward in time
Talk to the jiffy
Move back to target time
Talk to the jiffy and warn them about the door coordinates
Move forward in time                                                        [42]
Talk to the wordy life form, choose to go back in time

Endgame

After wordy dialog was exhausted with Tran, the display kept disappearing --
   however, this problem was cured after the game was exited and re-entered [43]
When Tran isn't looking, take the remote control
Use the remote control
Set code 0911
Exit
Talk to the captain
Play yet another space battle game
Long, wordy, slightly-depressing endgame/credits sequence (Esc terminates)

Final Thoughts


Table of Contents

Home


Copyright © 1996 Balmoral Software (http://www.balmoralsoftware.com). All rights reserved. Republication, redistribution or conversion is expressly prohibited without the prior written consent of Balmoral Software. Contents subject to change! For the latest information, see http://www.balmoralsoftware.com.